Type some words to find content.
eg: fuse, arrestor, 00110115 technical, MCCB...
Recent searches
Tehnical support
This email address is being protected from spambots. You need JavaScript enabled to view it.

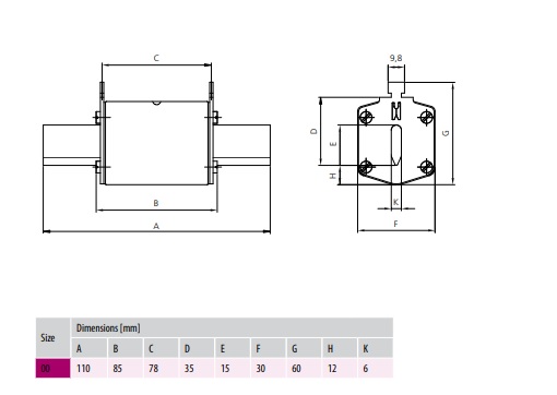
Fuse link NH00/78 gB 25A/1000V 004182467

Specifications

ETI Code:
004182467
Description:
NH00/78 gB 25A/1000V
Class name:
Fuse link
Type:
NH
Size:
NH00/78
Rated current (A):
25A
Rated AC voltage (V):
1000V
Characteristics:
gB
Breaking capacity AC (kA):
25kA
Application:
For equipment protection in mining industry
Indicator:
Top fuse status indicator
Power dissipation (W):
3.9W
Operating joule integral (A2s):
2600
Prearcing joule integral (A2s):
60
Standards:
VDE 0636-21

Documents

Product

EAN code for a single product
3838400097804  
Net weight of the product
310  g
Customs tariff
85361050  
logis_net_width
29  mm
logis_net_height
109  mm
logis_net_depth
60  mm

Basic packaging

Basic packaging quantity
3  
EAN code for a basic packaging
3838400097774  
Basic packaging weight
0.93  kg

Transport packaging

Transport packaging quantity
45  
EAN code for a transport packaging
3838400097781  
Transport packaging weight
14.3  kg
Pallet quantity
2340  
Classification
EC000055
Class name
Low Voltage HRC fuse
Construction size
Other
Rated current
25
Rated voltage
1000
Voltage type
AC
Rated switching capacity
25
Utilization category
gB (Mining protection)
Type of fuse status indicator
Top fuse status indicator
Insulated metal gripping lugs (IMGL)
No
ETIM Classification – Version 7.0

Images & Diagrams

Software & drivers

Software is provided as is without any guarantees or warranty. The author is under no obligation to provide support, service, corrections, or upgrades to the free software programs or drivers.

Accessories 3

>
>
0
Your basket is empty.